Shanghai Jehui Industry Co.,LTD
Home
About Us
Products
Solutions
Service & Support
News
Downloads
Contact Us
ui-button
English
Simplified Chinese
Traditional Chinese
Japanese
German
Login
Cable Entry System
Split CEP Series
Split CQB Series
Multi-diameter Metal CF Series
Multi Cable Transit System
Cable Entry Accessories
Cable Marker System
Wire Marker
Device Marker
Cable Protection Conduits
Plastic Corrugated Conduit
Plastic Corrugated Conduit Fittings
Electrical Metallic Tubing
Electrical Metallic Tubing Connector
Cable Protection Sleeve
Wrapping Band
Braiding Sleeve
Cable Gland
Plastic Cable Gland
Metal Cable Gland
Cable Gland Accessories
Cable Fix System
Cable Tie
Cable Holder
Cable Drag Chain
Silent Series
Open Type
Close Type
Home
Products
Cable Gland
Cable Gland Accessories
Meta Thread Enlarger
ui-button
ui-button
Product Name:Meta Thread Enlarger
Product Code:TEM
Inquiry
General
Variants
TEM Metal Expansion Ring
Performance
Pass ROHS test
Materials
Nickel plated brass with modified rubber seal
Degree of protection
IP68
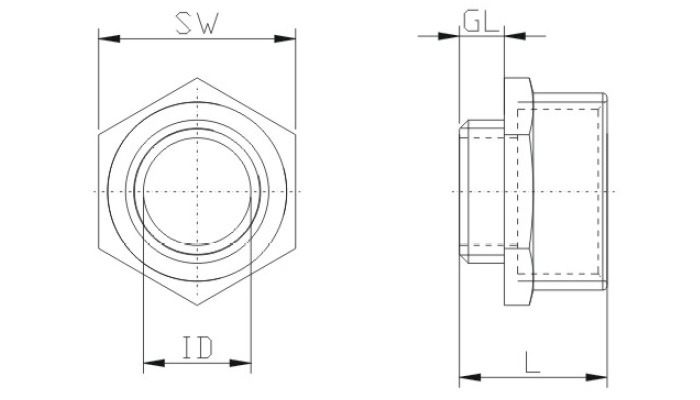
TEM-M Metric Thread
Model
External thread
Internal thread
Thread length(mm)
Inner hole(mm)
Total length(mm)
Wrench size(mm)
Packing unit
(pcs/pack)
TEM-M12/M16
M12×1.5
M16×1.5
5
8
15
19
100
TEM-M16/M18
M16×1.5
M18×1.5
6
12
15.5
21
100
TEM-M16/M20
M16×1.5
M20×1.5
6
12
16.5
23
50
TEM-M18/M20
M18×1.5
M20×1.5
6
14
17.5
23
50
TEM-M20/M25
M20×1.5
M25×1.5
7
15.5
18
30
50
TEM-M25/M30
M25×1.5
M30×2.0
7
20.5
19.5
34
50
TEM-M25/M32
M25×1.5
M32×1.5
7
20.5
22.5
36
25
TEM-M30/M36
M30×2.0
M36×2.0
8
25
23.5
40
25
TEM-M32/M40
M32×1.5
M40×1.5
8
27.5
23.5
45
25
TEM-M36/M48
M36×2.0
M48×2.0
8
31.5
27
55
20
TEM-M40/M50
M40×1.5
M50×1.5
9
34.5
28
55
20
TEM-M60/M63
M50×1.5
M63×1.5
10
44.5
31
70
10
TEM-P PG Thread
Model
External thread
Internal thread
Thread length(mm)
Inner hole(mm)
Total length(mm)
Wrench size(mm)
Packing unit
(pcs/pack)
TEM-P07/P09
PG7
PG9
5
9
15
18
100
TEM-P09/P11
PG9
PG11
6
11.5
17
22
50
TEM-P09/P13
PG9
PG13.5
6
11.5
17
24
50
TEM-P11/P13
PG11
PG13.5
7
15
18
24
50
TEM-P11/P16
PG11
PG16
7
15
20
26
50
TEM-P11/P21
PG11
PG21
7
15
22
32
50
TEM-P13/P16
PG13.5
PG16
7
16.5
20
26
50
TEM-P13/P21
PG13.5
PG21
7
16.5
22
32
50
TEM-P16/P21
PG16
PG21
7
18.5
22
32
50
TEM-P16/P29
PG16
PG29
7
18.5
23
40
25
TEM-P21/P29
PG21
PG29
7
24.5
23
40
25
TEM-P29/P36
PG29
PG36
8
32.5
27.5
50
25
TEM-P36/P42
PG36
PG42
9
42.5
31
60
10
TEM-P42/P48
PG42
PG48
10
49
33
65
10